單極驅動和雙極驅動
![]()
|
單極驅動和雙極驅動有何差異? |
概要:驅動方式與2相步進電動機類型
■驅動器驅動電路
![]() |
按照流過線圈的電流方向,將定子主極切換到N極和S極的方法有2種: ①改變線圈中的電流方向的方法,因具有2 種電流方向而稱為雙極驅動方式; ②分別準備N極用線圈和S極用線圈的方法,因各個線圈中電流只會單方向流動,因此稱為單極驅動方式。 |
■2相步進電動機的電動機類型與內部接線
![]() |
2相步進電動機的導線根數分為4、5、6、8 根共4種,
左圖為2相步進電動機的內部接線: ①4根導線的電動機為雙極驅動方式專用; ②5根導線的電動機為單極驅動方式專用; ③6根導線的電動機是作為單極驅動方式而制造的產品。也可以將接頭(A 相側的黃色、B 相側的白色)實施絕緣,使用兩端的端子,在雙極驅動方式下使用; ④8根導線的電動機支持3 種驅動方式,將各個線圈的其中一個連接到電源的單極驅動、將線圈串聯使用的串聯雙極驅動、將線圈并聯使用的并聯雙極驅動。 |
對比:不同驅動方式與接線方式的轉速-轉矩特性差異
單極驅動和雙極驅動下,線圈的使用率不同,因此,轉速-轉矩差異較大。
此外,串聯雙極相對并聯雙極來說存在4 倍的阻抗,因此高速轉矩的下降差異相對較大。
以下為不同接線方式的轉速-轉矩特性對比:


科普:單極驅動與雙極驅動
■單極驅動
■雙極驅動

![]() |
單極驅動方式是先將其中一個晶體管設為ON,再切換線圈的方式,電動機線圈1相僅需2個晶體管。
|
特征:勵磁電流按一個方向流動,回路構成簡單,常被廣泛設計使用。 優點:回路構成簡單。 缺點:2相勵磁方式時,只能使用電動機的一半線圈,并不能充分發揮電動機的特性。 |
![]() |
![]() |
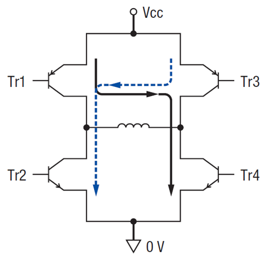
雙極驅動方式是按相分別設計全橋式電路的方法。1和4晶體管變成ON 時,電流朝實線方向流動。2和3晶體管變成ON 時,電流朝虛線方向流動。電動機線圈1相需4個晶體管。
|
特征:勵磁電流以正、負兩個方向流動,使線圈得到更有效的使用。 優點:①和單極驅動相比,低速時輸出轉矩更大; ②線圈相數是單極驅動的一半,由線圈差異造成的角度誤差減小。 缺點:①線圈數量增加1倍,因此時間常數增加,高速時輸出轉矩下降; ②每1相需要4個晶體管,電路相對昂貴,驅動器成本高。 類型:根據內部的接線方式,雙極驅動(參考8根導線產品)可分為以下三種情況: |
![]() |

亮點:2相步進電動機驅動器CVD系列
相關產品
?2相·5相步進步進電動機用驅動器 CVD系列 ?PKP系列 2相 ?PKP系列 5相 |
![]() ![]() |
注意:
本資料僅供參考。選購前請仔細確認設備需求和產品規格。
如需幫助,請洽詢本公司客戶咨詢中心(電話:400-820-6516)。
本資料僅供參考。選購前請仔細確認設備需求和產品規格。
如需幫助,請洽詢本公司客戶咨詢中心(電話:400-820-6516)。