無刷電動機與有刷電動機構造和驅動原理區別
將以從無刷電動機和有刷電動機的構造和動作原理出發,講述二者的區別及特性。 在此基礎上,將帶大家了解東方馬達無刷電動機的產品陣容,根據不同設備機構需求,提供相應解決方案。 |
點擊查看相關內容說明:

無刷電動機的構造

無刷電動機的構造一般是內藏檢測轉子位置用的磁性元件或光學編碼器。由此位置檢測器向驅動電路發送信號。電動機線圈是3相星形接線。此外,轉子使用永磁磁鋼。

檢測用的磁性元件是使用霍爾IC。在定子內側安裝有3個,轉子旋轉時,即從霍爾IC輸出數字信號。
●霍爾IC 因霍爾元件的輸出信號為微弱的模擬電壓,能夠把霍爾元件的輸出信號 調整放大并輸出的為霍爾IC。 輸出H級(5V)、L級(0V)的脈沖信號。





●霍爾IC 因霍爾元件的輸出信號為微弱的模擬電壓,能夠把霍爾元件的輸出信號 調整放大并輸出的為霍爾IC。 輸出H級(5V)、L級(0V)的脈沖信號。

無刷電動機的驅動方法
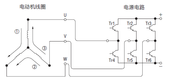
電動機線圈與開關用晶體管相連接,由6個晶體管組成變頻器。上下的晶體管依一定順序交互地重復ON-OFF,轉變線圈電流的方向。接下來說明旋轉的結構。
以下圖的晶體管的開關程序執行STEP①時,晶體管是Tr1與Tr6為ON的狀態。這時的線圈電流是從U相流到W相,U相被勵磁成N極、而W相則被勵磁成S極。因此,轉子旋轉30°。此動作重復12次,轉子旋轉。
以下圖的晶體管的開關程序執行STEP①時,晶體管是Tr1與Tr6為ON的狀態。這時的線圈電流是從U相流到W相,U相被勵磁成N極、而W相則被勵磁成S極。因此,轉子旋轉30°。此動作重復12次,轉子旋轉。

各晶體管的開關程序

有刷電動機的構造

有刷電動機又名碳刷電動機,其構造是定子上安裝有磁鐵,在其中央裝配有纏好線形成線圈的轉子。線圈接到整流子上,電刷(電極)與整流子相接觸。
是個中央有一根繞阻的線圈,以點畫線為軸可自由旋轉的構造。整流子接到線圈的兩端,電刷與整流子相接觸。
電刷上接直流電源,電流從正極流入,通過線圈流回負極。一對磁鐵(N極、S極)配置在線圈的周圍
是個中央有一根繞阻的線圈,以點畫線為軸可自由旋轉的構造。整流子接到線圈的兩端,電刷與整流子相接觸。
電刷上接直流電源,電流從正極流入,通過線圈流回負極。一對磁鐵(N極、S極)配置在線圈的周圍
有刷電動機的驅動方法

通過電刷與整流子使電流流過線圈。
根據「弗萊明左手定則」線圈的電流受到磁鐵的磁場力而旋轉。

根據「弗萊明左手定則」線圈的電流受到磁鐵的磁場力而旋轉。

注意:
本資料僅供參考。選購前請仔細確認設備需求和產品規格。
如需幫助,請洽詢本公司客戶咨詢中心(電話:400-820-6516)。
本資料僅供參考。選購前請仔細確認設備需求和產品規格。
如需幫助,請洽詢本公司客戶咨詢中心(電話:400-820-6516)。